
Pneumatisches Kugelventil (Flansch)

• Konstruktionsmerkmale:
1. Kompakte Bauweise, einfache Bedienung und Wartung.
2. Mehrschichtige Dichtungskonstruktion.
3. Geringer Strömungswiderstandskoeffizient, schnelles Schalten.
4. Das Medium greift die Dichtfläche des Ventils nicht an.
5. Standardmäßige Plattform für automatische Antriebseinheiten.
• Anwendungsbereich:
Weit verbreitet in den Bereichen Textildruck und -färbung, Wasseraufbereitung, Lebensmittelverarbeitung, Elektrizität, Goldverarbeitung, Öl, Maschinenbau und anderen Branchen.
• Technische Daten:
Nennweite: DN 15–300 mm
Anschlussart: Flanschverbindung
Zylinderform: doppelwirkend, einfachwirkend (Federrückstellung)
Übertragungsmodus: pneumatische Antriebe
Nenndruck: Pn16, 2,5, 4,0, 6,4MPa
Geeignete Medien: Dampf, Wasser, Öl, starke Säuren und Laugen
Medientemperatur: -40 °C bis +180 °C
Entlüftungsdruck: 2,5–7 bar
Betätigungsbereich: 0–90° (+5°)
Dichtungsmaterial: PTFE
Steuergas: neutrales Gas, Druckluft
Hauptteile und Dichtungsmaterialien können ebenfalls nach Kundenwunsch ausgewählt werden.
• Werkstoffe der Hauptteile:
Gehäusematerial: CF8 CF8M
Spulenmaterial: 316
Sitzmaterial: PTEF
Dichtung: Dichtungsring (PTET)
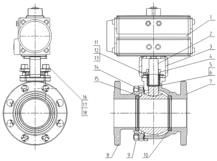
Schematische Darstellung eines pneumatischen Flanschkugelventils


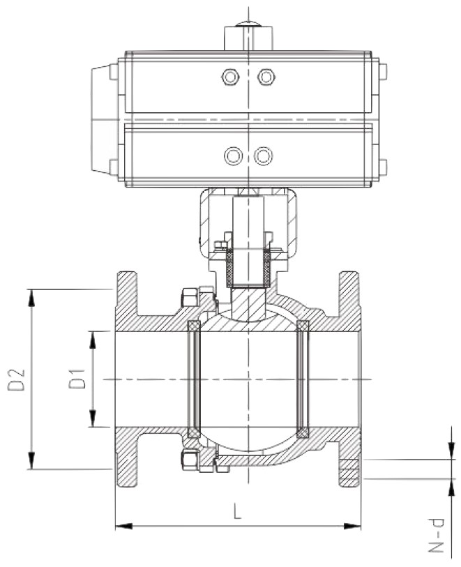
Schematische Darstellung der Hauptabmessungen eines pneumatischen Flanschkugelventils

Hauptmaßtabelle und Produktmodellbeschreibung

Zurück zu der Übersicht der Ventile

|